Clasa de înaltă precizie 0.5 - asigură măsurarea precisă a curentului pentru aplicațiile de contorizare și monitorizare.
O gamă largă de măsurare - acceptă mai multe raporturi de curent pentru a se adapta diferitelor condiții de încărcare.
Design compact și ușor - ușor de instalat în spații strânse fără a compromite performanța.
Stabilitate termică excelentă - asigură funcționarea stabilă chiar și la temperaturi fluctuante.
Izolație și siguranță puternică - respectă standardele de siguranță din industrie, oferind o protecție fiabilă împotriva defecțiunilor electrice.
Aplicații versatile - ideale pentru utilizarea panourilor de distribuție a energiei electrice, automatizarea industrială și sistemele de energie regenerabilă.
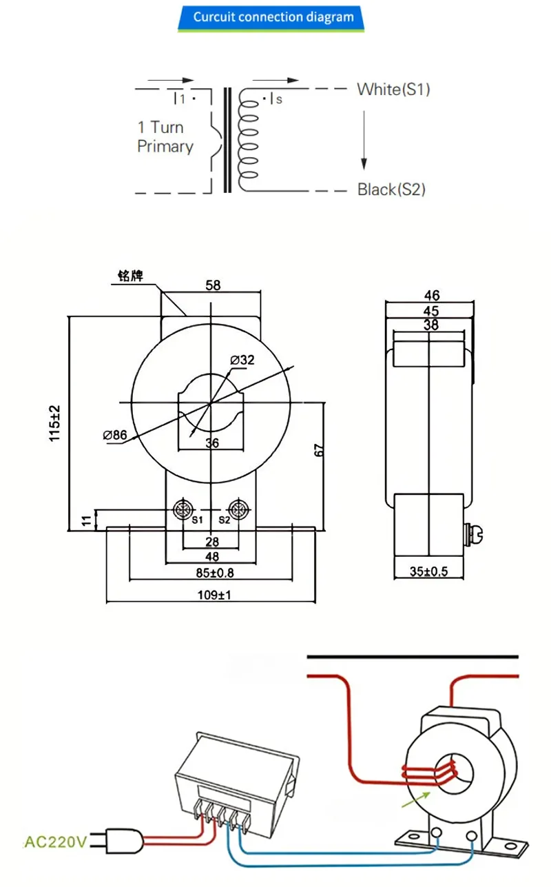
Curent primar nominal: personalizabil (de exemplu, 5a ~ 2000a)
Curent secundar nominal: 5a sau 1a (standard)
Clasa de precizie: 0,5
Frecvență: 50Hz/60Hz
Nivel de izolare: până la 3kV
Temperatura de funcționare: -25 ° C până la +70 ° C
Contorizarea puterii și monitorizarea energiei
Relee de protecție și întreruperi de circuit
Sisteme electrice industriale și comerciale
Instalații solare și eoliene

Abordare
Zona industrială Xiangyang, Yueqing, Zhejiang, China
Tel