Zhejiang Sehnaider Electric Co., Ltd.
Zhejiang Sehnaider Electric Co., Ltd.
Produse
BH-0.66-60 Transformatoare de curent
  • BH-0.66-60 Transformatoare de curentBH-0.66-60 Transformatoare de curent

BH-0.66-60 Transformatoare de curent

Transformatoarele de curent BH -0.66-60 adoptă flacăra PC - material ignifug, iar materialul de conducere magnetic este un nucleu toroidal anecat pentru a asigura exactitatea produsului la nivelurile 0,2 și 0,5. Pentru niveluri ultra - de precizie ridicată, cum ar fi 0,2s și 0,5s, numai magneții superconductori pot îndeplini astfel de cerințe de precizie.

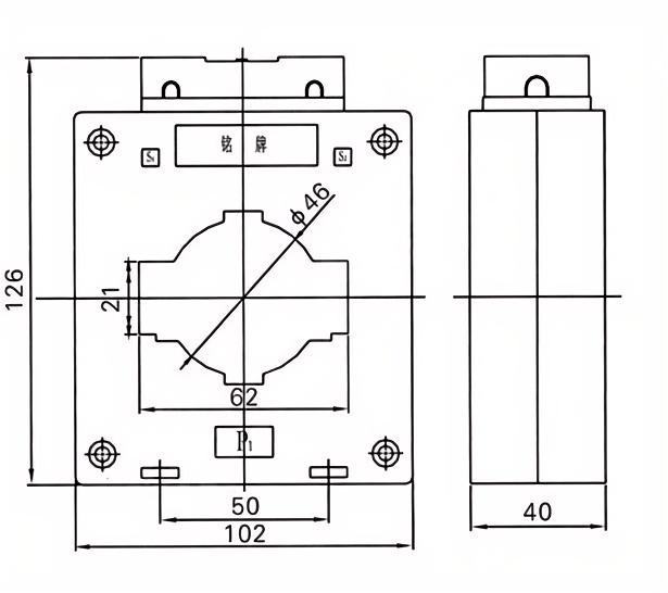
Transformatoarele de curent BH-0.66-60 se aplică sistemelor de alimentare cu o frecvență nominală de 50Hz și o tensiune nominală de 0,66kV, 0,69kV, 0,5kV și mai jos pentru contorizarea energiei electrice, măsurarea curentului și protecția releului.


Acest transformator curent al DAHU este destinat utilizării interioare, instalat în dulapuri și cutii de distribuție. Prezintă un nou design de circuit magnetic, metode de compensare avansată, tehnici de procesare rafinate, performanțe sigure și fiabile și un aspect mic și frumos.


Învelișul exterior este confecționat din flacără de înaltă rezistență - computer retardant, cu o structură complet închisă și o evaluare retardantă a flăcării V1. Nucleul intern este confecționat din foi de oțel siliciu de înaltă calitate, orientate spre cereale. Diametrul firului este selectat strict în funcție de densitatea curentului economic pentru a asigura o creștere mai mică a temperaturii. Cu echipamente de testare avansate și fiabile, asigură respectarea standardelor de calitate.


Are tipuri de găuri pătrate și rotunde, potrivite pentru o singură - rădăcină sau multiplu - penetrare a cablurilor rădăcină sau penetrarea barei de bus -root. Are o serie completă de produse, o mare varietate de specificații și o gamă largă de aplicații.


Aplicații

Monitorizarea și contorizarea energiei

Protecția circuitului și coordonarea releului

Automatizare industrială și sisteme de grilă inteligentă

Specificații tehnice

Tensiune nominală: 0,66kV

Frecvență: 50/60Hz

Clasa de precizie: 0,5, 1,0 (personalizabil)

Nivel de izolare: 3kV/min


Principii parametri tehnici

Primar nominal
curent (a)
Precizie
clase
combinaţie
Ieșire secundară nominală (VA) 1S curent termic (ka) Curent dinamic evaluat (KA)
0,2 (S) 0.2 0.5 10p10
5-40 0,2/10p10
0,5/10p10
/ 10 10 15 90lin 220lin
5-40 100lin 250lin
5-40 20 50
5-40
5-40 36 90
10
5-40 45 100
5-40 56 100
5-40
5-40 80 110
5-40 100 110


Hot Tags: BH-0.66-60 Transformatoare de curent
Trimite o anchetă
Informatii de contact
Dacă aveți vreo anchetă despre citat sau cooperare, vă rugăm să nu ezitați să ne trimiteți un e -mail la river@dahelec.com sau să utilizați următorul formular de anchetă. Reprezentantul nostru de vânzări vă va contacta în 24 de ore. Vă mulțumim pentru interesul dvs. pentru produsele noastre.
X
We use cookies to offer you a better browsing experience, analyze site traffic and personalize content. By using this site, you agree to our use of cookies. Privacy Policy
Reject Accept