Zhejiang Sehnaider Electric Co., Ltd.
Zhejiang Sehnaider Electric Co., Ltd.
Produse
BH-0.66-50 Transformatoare de curent
  • BH-0.66-50 Transformatoare de curentBH-0.66-50 Transformatoare de curent

BH-0.66-50 Transformatoare de curent

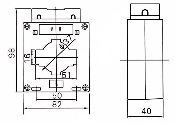
Transformatoarele de curent BH-0.66-50 sunt instrumente de precizie concepute pentru măsurarea și monitorizarea exactă a curenților electrici în diferite aplicații industriale. Cu un curent nominal de 50A și un raport de transformare de 0,66, aceste transformatoare asigură capacități de măsurare curente fiabile și precise.

Transformator de curent de rășină epoxidică interioară sau transformator de curent al carcasei din plastic interior

• O monofazare, două faze sau trei faze.

• Tensiune nominală: 0,66kV

• Clasa de contorizare pentru CT: 0,2s, 0,2,0,5, 0,5s

• Standard: IEC61869-2

• Nume tip: BH-0.66-50

Acest transformator de curent de tip uscat interior este utilizat în 0,66kV, 0,75kV. Sistem de putere, pentru măsurare și protecție.

A fost utilizat în comutatorul cubic sau în stațiile de comutare instalate în Bay.

Transformatoarele de curent BH-0.66-50 sunt obținute din rășină epoxidică interioară de temperatură ridicată, miez de aliaj amorf pentru contorizare și de înaltă calitate în miez interior pentru protecție, uzură primară și secundară cupru electrolitic pur.


Aplicații:

Sisteme de distribuție a energiei electrice

Sisteme de gestionare a energiei

Monitorizarea echipamentelor industriale

Sisteme de energie regenerabilă


1. Materiale premium

Nuclee de înaltă calitate: oțel de siliciu laminat de precizie sau nuclee nanocristaline pentru pierderi minime și liniaritate ridicată.  

Izolație robustă: proiectele de rășină epoxidică asigură stabilitatea pe termen lung în medii dure.  


2. Performanță superioară

Precizie: clasa 0.2/0,5 pentru contorizare, 5p/10p pentru protecție, conforme cu standardele IEC 61869, 60044, IEEE și ANSI.  

Gama largă: acceptă sisteme de 0,6kV-36kV, cu raporturi/frecvență personalizate (50/60Hz).  

Creștere termică scăzută: Proiectarea optimizată reduce supraîncălzirea, prelungind durata de viață.  

Imunitate EMC: scuturi împotriva interferenței electromagnetice pentru semnale fiabile.  


3. Serviciu și asistență

Soluții personalizate: raporturi adaptate, dimensiuni sau conectori (de exemplu, terminale de cale ferată, IEC).  

Certificări globale: IEC, CE, ISO și aprobări de rețea locală.  

Ajutor tehnic pe tot parcursul vieții: asistență 24/7, îndrumare de instalare și furnizare de piese de schimb.  

Livrare rapidă: produse standard în 2-4 săptămâni; Opțiuni expediate pentru nevoile urgente.  


Principii parametri tehnici

Primar nominal
curent (a)
Precizie
clase
combinaţie
Ieșire secundară nominală (VA) 1S curent termic (ka) Curent dinamic evaluat (KA)
0,2 (S) 0.2 0.5 10p10
5-40 0,2/10p10
0,5/10p10
/ 10 10 15 90lin 220lin
5-40 100lin 250lin
5-40 20 50
5-40
5-40 36 90
10
5-40 45 100
5-40 56 100
5-40
5-40 80 110
5-40 100 110




Hot Tags: BH-0.66-50 Transformatoare de curent
Trimite o anchetă
Informatii de contact
Dacă aveți vreo anchetă despre citat sau cooperare, vă rugăm să nu ezitați să ne trimiteți un e -mail la river@dahelec.com sau să utilizați următorul formular de anchetă. Reprezentantul nostru de vânzări vă va contacta în 24 de ore. Vă mulțumim pentru interesul dvs. pentru produsele noastre.
X
Folosim cookie-uri pentru a vă oferi o experiență de navigare mai bună, pentru a analiza traficul site-ului și pentru a personaliza conținutul. Prin utilizarea acestui site, sunteți de acord cu utilizarea cookie-urilor. Politica de confidențialitate
Respinge Accepta