Zhejiang Sehnaider Electric Co., Ltd.
Zhejiang Sehnaider Electric Co., Ltd.
Produse
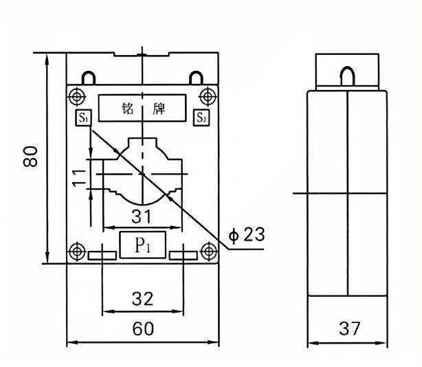
BH-0.66-30 Transformatoare curente
  • BH-0.66-30 Transformatoare curenteBH-0.66-30 Transformatoare curente

BH-0.66-30 Transformatoare curente

Transformatoarele de curent BH-0.66-30 (CTS) sunt instrumente proiectate de precizie concepute pentru măsurarea și monitorizarea exactă a curentului în sistemele electrice de joasă tensiune. Cu o tensiune de izolare nominală de 0,66kV, aceste transformatoare sunt ideale pentru gestionarea energiei, releu de protecție și aplicații de contorizare.

Caracteristici:

Precizie ridicată: îndeplinește standardele IEC 61869, asigurând performanțe fiabile în scopuri de facturare și monitorizare.

Proiectare compactă: construcție de economisire a spațiului pentru o instalare ușoară în spații strânse.

Gama de curent larg: curent primar până la 30A, potrivit pentru diverse încărcări industriale și comerciale.

Materiale durabile: Carcasa robustă oferă rezistență la factorii de mediu și la stresul mecanic.

Respectarea siguranței: BH-0.66-30 Transformatoarele actuale conforme cu certificările internaționale de siguranță și performanță.


Aplicații:

Contorizarea energiei în sistemele de distribuție a energiei.

Protecția supracurentului în întrerupătoare și relee.

Integrare cu rețele inteligente și soluții de monitorizare bazate pe IoT.

Specificații tehnice:

Tensiune nominală: 0,66kV

Frecvență: 50/60Hz

Clasa de precizie: 0,5, 1,0 (personalizabil)

Sarcina: conform cerințelor clientului


Principii parametri tehnici

Primar nominal
curent (a)
Precizie
clase
combinaţie
Ieșire secundară nominală (VA) Este curent termic (ka) Curent dinamic evaluat (KA)
0,2 (S) 0.2 0.5 10p10
5-40 0,2/10p10
0,5/10p10
/ 10 10 15 90lin 220lin
5-40 100lin 250lin
5-40 20 50
5-40
5-40 36 90
10
5-40 45 100
5-40 56 100
5-40
5-40 80 110
5-40 100 110


Hot Tags: BH-0.66-30 Transformatoare curente
Trimite o anchetă
Informatii de contact
Dacă aveți vreo anchetă despre citat sau cooperare, vă rugăm să nu ezitați să ne trimiteți un e -mail la river@dahelec.com sau să utilizați următorul formular de anchetă. Reprezentantul nostru de vânzări vă va contacta în 24 de ore. Vă mulțumim pentru interesul dvs. pentru produsele noastre.
X
Folosim cookie-uri pentru a vă oferi o experiență de navigare mai bună, pentru a analiza traficul site-ului și pentru a personaliza conținutul. Prin utilizarea acestui site, sunteți de acord cu utilizarea cookie-urilor. Politica de confidențialitate
Respinge Accepta