În calitate de producător profesionist, Sehnaider Electric ar dori să vă ofere caseta de contact din seria CH3 de înaltă calitate. Și vă vom oferi cel mai bun serviciu după vânzare și livrare în timp util. Caseta de contact este formată din rășină epoxidică cu tehnicii de gelare a presiunii APG (turnare), este utilizată pentru izolarea izolației și tranziția de conectare a diferitelor dulapuri de comutator de tip mână.
1. Produsul adoptă material de rășină epoxidică
2. Câștigă un nivel ridicat de izolare, intensitate și stabilitate.
3. Oferă specificații diferite bazate pe dimensiunea curentului electric pentru alegerea utilizatorului
4. Caseta de contact este formată din epoxid cu tehnologia APG
Mediu normal de lucru
1. Altitudine: ≤1000m
2. Temperatura ambiantă la -30ºC până la +40ºC, temperatura medie zilnică nu ar trebui să fie mai mare de 30ºC.
3. Media zilnică a umidității relative este mai mică de 95%, media lunară este mai mică de 90%.
4. Mediul de lucru ar trebui să fie fără abur, gaz, depunere corozivă chimică, ceață de sare, praf, murdărie și alte medii explozive periculoase, care vor avea un impact grav asupra izolației și conductivității produselor.
5. Mediul de lucru nu trebuie să fie vibrații regulate sau denivelări grave.
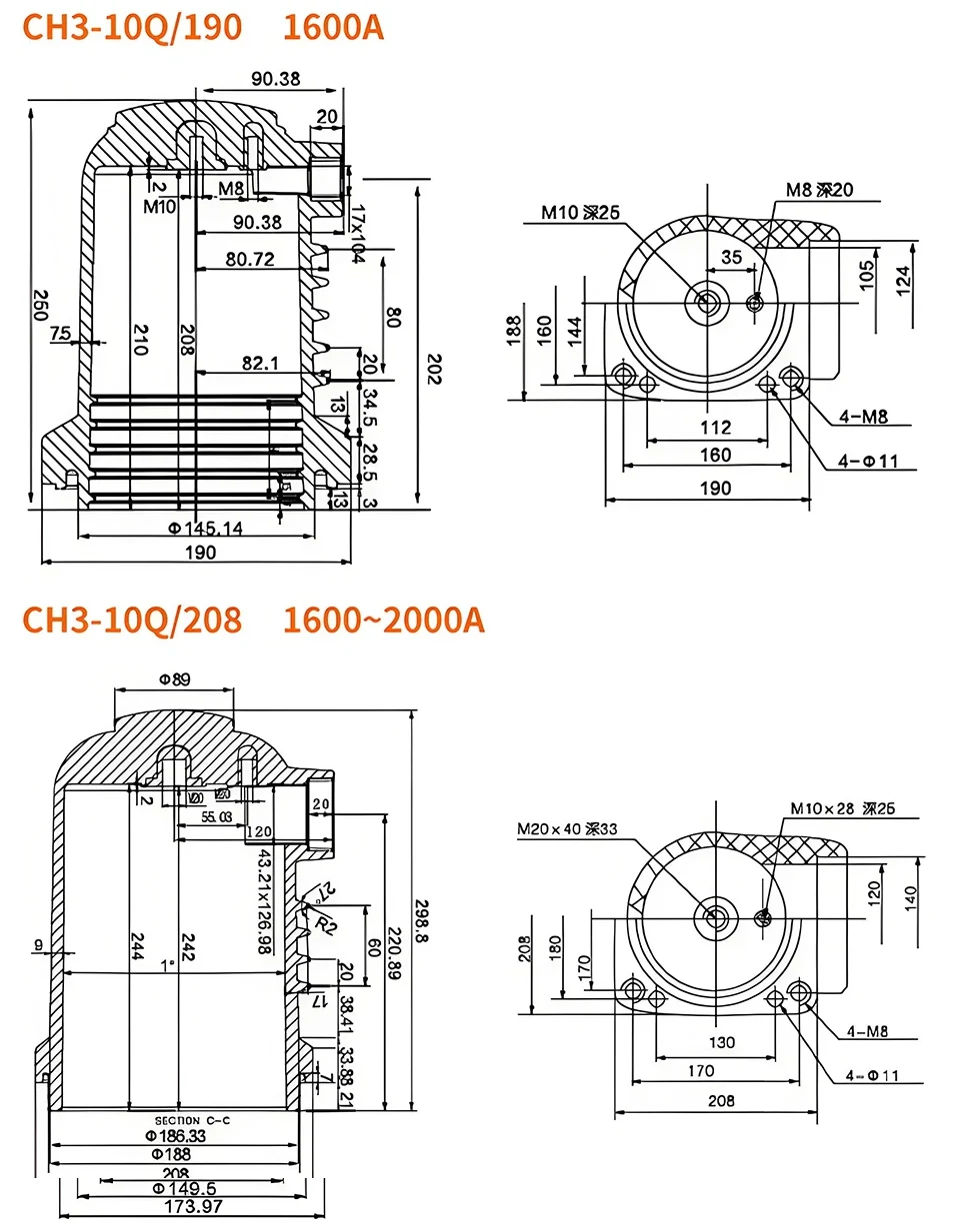
| Numele modelului: | CH3-12/190 Contactați Bok |
| Marca: | Uyond |
| Tip: | Cutie de contact |
| Aplicație: | Înaltă tensiune/comutator |
| Culoare | maro, roșu |
| Certificarea produsului: | CE și ISO 9001: 2000 |
| Tensiune nominală: | 12kV |
| Curent evaluat: | 1250-1600 $ |
| MOQ: | 10pcs |
| Ambalare: | 1. Eult, unul este învelit cu FIM din plastic 2. Ambalat în cutii 3. CARTON -urile sunt sigilate într -o cutie de lemn 4. Cazurile sunt legate de pariuri de fier exdemal |
| Port de încărcare: | Portul Shanghai/portul Ningbo |
| Termeni de plată: | L/C, T/T, Uniunea Western |
| Timpul de livrare: | În termen de 15 zile, depinde de quannity -ul comenzii |
| Adiţional: | 1. OEM sunt bineveniți 2. Hign Qually & Limely Delvery 3. Preț rezonabil 4. Într -o varietate de modele și specificații |


Abordare
Zona industrială Xiangyang, Yueqing, Zhejiang, China
Tel